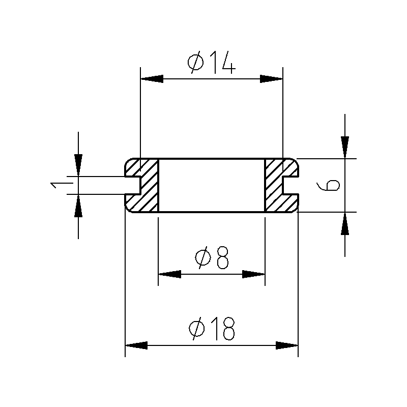
Kabelgenomföring, PVC - Ø8/14
Kabelgenomföring, PVC - Ø12/15
Lägg till en bevakning så meddelar vi dig så snart varan är i lager igen.
Kabelgenomföring, PVC - Ø8/14
Kabelgenomföring, PVC - Ø12/15
Denna kabelgenomföring i PVC är avsedd för användning inom industri och elinstallation. Produkten används för kabelgenomföring i apparatskåp, elskåp, maskiner och kapslingar och skyddar kablar mot slitage, vibrationer och skarpa kanter.
Tillverkad i PVC med god motståndskraft mot fukt, oljor och vanliga industrikemikalier. Kabelgenomföringen möjliggör en standardiserad och repeterbar montering, vilket gör den lämplig för serieproduktion, underhåll och volyminköp.
Tekniska fördelar
- Kabelgenomföring för industri
- Material: PVC
- Skyddar kablar mot mekanisk påfrestning
- För montering i apparatskåp och kapslingar
- Enkel installation för effektiv produktion
- Lämplig för standardiserade installationer
Tekniska specifikationer
| Parameter | Specifikation |
|---|---|
| Material | PVC |
| Innerdiameter | Ø 12 mm |
| Håldiameter | Ø 15 mm |
| Ytterdiameter | Ø 20 mm |
| Godstjocklek | 2 mm |
| Totalhöjd | 7 mm |
| Färg | Svart |
| Temperaturområde | 0 °C till 60 °C |
| Montering | Pressmontering |
| Användningsområde | Apparatskåp, elskåp, kapslingar |
- local_shippingLeverans 2-3 dagar